Drehgeber inkremental,
Impulszahlen: bis 25000 I/U,
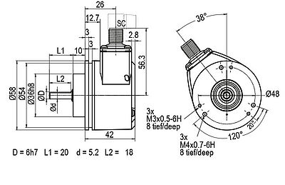
Vollwelle, Klemmflansch: Ø 58 mm
Welle: Ø 6 mm,
Schutzart: bis IP67 rundum,
Signalformen: Rechteck oder Sinus/Cosinus,
Funktionsprinzip: optisch.

- Robuster Standard - Industriegeber
- Aluminium-Druckgussgehäuse mit
besonders umweltfreundlicher Pulverbeschichtung - Durch hochwertige Elektronik bis 25000 Impulse
- Schutzart IP67, am Welleneingang IP65
- Höchste mechanische und elektrische Sicherheit
- Voller Anschlussschutz bei 10 VDC bis 30 VDC
- Hohe Ausgabefrequenz bis zu 600 kHz/2 MHz
- Optional:
-40 °C bis +85 °C,
Schutzart IP67 rundum,
Druckausgleichsmembran
Wellenlänge: L: 18 mm
Max. Wellenbelastung radial: 80 N
Max. Wellenbelastung axial: 50 N
Eigenstromaufnahme: typ. 70 mA (100 mA nur F05, P05)
Eigenstromaufnahme: typ. 70 mA
Eigenstromaufnahme: typ. 70 mA (100 mA nur F24, P24, 645)
Umweltdaten
ESD (DIN EN 61000-4-2):
8 kV
Burst (DIN EN 61000-4-4):
2 kV
das schließt ein EMC:
DIN EN 61000-6-2
DIN EN 61000-6-3
Vibration:
(DIN EN 60068-2-6)
50 m/s2 (10 Hz bis 2000 Hz)
Schock:
(DIN EN 60068-2-27)
1000 m/s2 (6 ms)
Elektrische Sicherheit:
Gemäß DIN VDE 0160
Zolltarif-Informationen
Zolltarifnummer:
90318020
Ursprungsland:
Deutschland
1 Vss: -10 °C bis +70 °C
Ihre gewünschte STEP-Datei ist nicht aufgeführt:
Anforderung STEP Datei hier
| Beschreibung | ABN inv. möglich | |
|---|---|---|
| K2 | axial, Schirm offen | ● |
| L2 | axial, Schirm mit Gebergehäuse leitend verbunden | ● |
| K2, L2 | K2, L2 | L2 | |
| Schaltung | F05, H05, F24, H24, H30 | P05, R05, P24, R24, 245, 645, R30 | SIN |
| GND | WH | WH | WH |
| +UB | BN | BN | BN |
| A | GN | GN | GN |
| B | YE | YE | GY |
| N | GY | GY | - |
| - | - | - | - |
| A inv. | - | RD | YE |
| B inv. | - | BK, (BU bei ACA) | PK |
| N inv. | - | VT | - |
| Schirm | Litze | Litze | Litze |
Ihre gewünschte STEP-Datei ist nicht aufgeführt:
Anforderung STEP Datei hier
| Beschreibung | ABN inv. möglich | |
|---|---|---|
| K3 | radial, Schirm offen | ● |
| L3 | radial, Schirm mit Gebergehäuse leitend verbunden | ● |
| K3, L3 | K3, L3 | L3 | |
| Schaltung | F05, H05, F24, H24, H30 | P05, R05, P24, R24, 245, 645, R30 | SIN |
| GND | WH | WH | WH |
| +UB | BN | BN | BN |
| A | GN | GN | GN |
| B | YE | YE | GY |
| N | GY | GY | - |
| - | - | - | - |
| A inv. | - | RD | YE |
| B inv. | - | BK, (BU bei ACA) | PK |
| N inv. | - | VT | - |
| Schirm | Litze | Litze | Litze |
Ihre gewünschte STEP-Datei ist nicht aufgeführt:
Anforderung STEP Datei hier
| Beschreibung | ABN inv. möglich | |
|---|---|---|
| SI5 | axial, 5-polig, Stecker mit Gebergehäuse leitend verbunden | - |
| SI6 | axial, 6-polig, Stecker mit Gebergehäuse leitend verbunden | - |
| SI8 | axial, 8-polig, Stecker mit Gebergehäuse leitend verbunden | ● |
| SI12 | axial, 12-polig, Stecker mit Gebergehäuse leitend verbunden | ● |
| SI5 | SI6 | SI8 | SI8 | SI12 | SI12 | |
| 5-polig | 6-polig | 8-polig | 8-polig | 12-polig | 12-polig | |
| Steckerbild | ![]() | ![]() | ![]() | ![]() | ||
| Schaltung | F05, H05, F24, H24, H30 | F05, H05, F24, H24, H30 | P05, R05, P24, R24, R30, 245, 645 | SIN | P05, R05, P24, R24, 245, 645, R30 | SIN |
| GND | 1 | 6 | 1 | 1 | K, L | K, L |
| +UB | 2 | 1 | 2 | 2 | M, B | M, B |
| A | 3 | 2 | 3 | 3 | E | E |
| B | 4 | 4 | 4 | 4 | H | H |
| N | 5 | 3 | 5 | - | C | - |
| - | - | - | - | - | - | - |
| A inv. | - | - | 6 | 6 | F | F |
| B inv. | - | - | 7 | 7 | A | A |
| N inv. | - | - | 8 | - | D | - |
| n. c. | - | 5 | - | 5, 8 | G, J | D, G, J |
| Schirm | - | - | - | - | - | - |
Ihre gewünschte STEP-Datei ist nicht aufgeführt:
Anforderung STEP Datei hier
| Beschreibung | ABN inv. möglich | |
|---|---|---|
| SH5 | radial, 5-polig, Stecker mit Gebergehäuse leitend verbunden | - |
| SH6 | radial, 6-polig, Stecker mit Gebergehäuse leitend verbunden | - |
| SH8 | radial, 8-polig, Stecker mit Gebergehäuse leitend verbunden | ● |
| SH12 | radial, 12-polig, Stecker mit Gebergehäuse leitend verbunden | ● |
| SH5 | SH6 | SH8 | SH8 | SH12 | SH12 | |
| 5-polig | 6-polig | 8-polig | 8-polig | 12-polig | 12-polig | |
| Steckerbild | ![]() | ![]() | ![]() | ![]() | ||
| Schaltung | F05, H05, F24, H24, H30 | F05, H05, F24, H24, H30 | P05, R05, P24, R24, R30, 245, 645 | SIN | P05, R05, P24, R24, 245, 645, R30 | SIN |
| GND | 1 | 6 | 1 | 1 | K, L | K, L |
| +UB | 2 | 1 | 2 | 2 | M, B | M, B |
| A | 3 | 2 | 3 | 3 | E | E |
| B | 4 | 4 | 4 | 4 | H | H |
| N | 5 | 3 | 5 | - | C | - |
| - | - | - | - | - | - | - |
| A inv. | - | - | 6 | 6 | F | F |
| B inv. | - | - | 7 | 7 | A | A |
| N inv. | - | - | 8 | - | D | - |
| n. c. | - | 5 | - | 5, 8 | G, J | D, G, J |
| Schirm | - | - | - | - | - | - |
Ihre gewünschte STEP-Datei ist nicht aufgeführt:
Anforderung STEP Datei hier
| Beschreibung | ABN inv. möglich | |
|---|---|---|
| S2 | axial, 7-polig, Stecker mit Gebergehäuse leitend verbunden | - |
Ihre gewünschte STEP-Datei ist nicht aufgeführt:
Anforderung STEP Datei hier
| Beschreibung | ABN inv. möglich | |
|---|---|---|
| S3 | radial, 7-polig, Stecker mit Gebergehäuse leitend verbunden | - |
Ihre gewünschte STEP-Datei ist nicht aufgeführt:
Anforderung STEP Datei hier
| Beschreibung | ABN inv. möglich | |
|---|---|---|
| S4 | axial, 12-polig, Stecker mit Gebergehäuse leitend verbunden | ● |
Ihre gewünschte STEP-Datei ist nicht aufgeführt:
Anforderung STEP Datei hier
| Beschreibung | ABN inv. möglich | |
|---|---|---|
| S5 | radial, 12-polig, Stecker mit Gebergehäuse leitend verbunden | ● |
Ihre gewünschte STEP-Datei ist nicht aufgeführt:
Anforderung STEP Datei hier
| Beschreibung | ABN inv. möglich | |
|---|---|---|
| S4R | axial, 12-polig, Stecker mit Gebergehäuse leitend verbunden | ● |
Ihre gewünschte STEP-Datei ist nicht aufgeführt:
Anforderung STEP Datei hier
| Beschreibung | ABN inv. möglich | |
|---|---|---|
| S5R | radial, 12-polig, Stecker mit Gebergehäuse leitend verbunden | ● |
Ihre gewünschte STEP-Datei ist nicht aufgeführt:
Anforderung STEP Datei hier
| Beschreibung | ABN inv. möglich | |
|---|---|---|
| SB4 | axial, 4-polig, Stecker mit Gebergehäuse leitend verbunden | - |
| SB5 | axial, 5-polig, Stecker mit Gebergehäuse leitend verbunden | - |
| SB8 | axial, 8-polig, Stecker mit Gebergehäuse leitend verbunden | ● |
| SB12 | axial, 12-polig, Stecker mit Gebergehäuse leitend verbunden | ● |
| SB4 | SB5 | SB8 | SB8 | SB12 | |
| 4-polig | 5-polig | 8-polig | 8-polig | 12-polig | |
| Steckerbild | ![]() | ![]() | ![]() | ![]() | |
| Schaltung | F05, H05, F24, H24, H30 | F05, H05, F24, H24, H30 | P05, R05, P24, R24, R30, 245, 645 | SIN | P05, R05, P24, R24, 245, 645, R30 |
| GND | 3 | 3 | 1 | 1 | 3 |
| +UB | 1 | 1 | 2 | 2 | 1 |
| A | 2 | 4 | 3 | 3 | 4 |
| B | 4 | 2 | 4 | 5 | 6 |
| N | - | 5 | 5 | - | 8 |
| - | - | - | - | - | - |
| A inv. | - | - | 6 | 4 | 9 |
| B inv. | - | - | 7 | 6 | 7 |
| N inv. | - | - | 8 | - | 10 |
| n. c. | - | - | - | 7, 8 | 2, 5, 11, 12 |
| Schirm | - | - | - | - | - |
Ihre gewünschte STEP-Datei ist nicht aufgeführt:
Anforderung STEP Datei hier
| Beschreibung | ABN inv. möglich | |
|---|---|---|
| SC4 | radial, 4-polig, Stecker mit Gebergehäuse leitend verbunden | - |
| SC5 | radial, 5-polig, Stecker mit Gebergehäuse leitend verbunden | - |
| SC8 | radial, 8-polig, Stecker mit Gebergehäuse leitend verbunden | ● |
| SC12 | radial, 12-polig, Stecker mit Gebergehäuse leitend verbunden | ● |
| SC4 | SC5 | SC8 | SC8 | SC12 | |
| 4-polig | 5-polig | 8-polig | 8-polig | 12-polig | |
| Steckerbild | ![]() | ![]() | ![]() | ![]() | |
| Schaltung | F05, H05, F24, H24, H30 | F05, H05, F24, H24, H30 | P05, R05, P24, R24, R30, 245, 645 | SIN | P05, R05, P24, R24, 245, 645, R30 |
| GND | 3 | 3 | 1 | 1 | 3 |
| +UB | 1 | 1 | 2 | 2 | 1 |
| A | 2 | 4 | 3 | 3 | 4 |
| B | 4 | 2 | 4 | 5 | 6 |
| N | - | 5 | 5 | - | 8 |
| - | - | - | - | - | - |
| A inv. | - | - | 6 | 4 | 9 |
| B inv. | - | - | 7 | 6 | 7 |
| N inv. | - | - | 8 | - | 10 |
| n. c. | - | - | - | 7, 8 | 2, 5, 11, 12 |
| Schirm | - | - | - | - | - |
bis 2500 I/U
bis 5000 I/U
(höhere Frequenz) 1200 bis 25000 I/U
1024, 2048 I/U
Der Drehgeber WDGI 58K ist optional auch mit einer Druckausgleichsmembran erhältlich. Diese verhindert das Eindringen von Wasser in das Drehgebergehäuse bei hoher Luftfeuchtigkeit.
Schutzart bis IP67, Temperaturbereich und Salznebelbeständigkeit bleiben erhalten. Chemikalien- und Lösemittelbeständig nach DIN EN ISO2812-1
Bei der Bestellung ergänzen Sie bitte die Bestellnummer mit einer 3-stelligen Ziffer welche die Länge in Dezimeter angibt.
Beispiel: 5 m Kabellänge = 050


- Aluminium-Druckgussgehäuse pulverbeschichtet
- Maximale Lagerlasten bis zu 500 N axial/radial
- Druckausgleichsmembran
- Hohe Ausgabefrequenz 600 kHz / 2 MHz
- Erweiterte Arbeitstemperatur -40 °C bis +85 °C

- Inkrementale und absolute Drehgeber
- Digitale Schachtkopierung
- Eigene Entwicklung und Herstellung
- Motorfeedback
- Messsysteme

Kabeldose KI-4-67:
Passend zu Drehgebern mit Sensor-Steckerabgang SB4 und SC4, 4-polig, IP67
Konfektioniertes abgeschirmtes Kabel mit Anschlussdose gerade,
Schirm aufgelegt.

Kabeldose KIA-4-67:
Passend zu Drehgebern mit Sensor-Steckerabgang SB4 und SC4, 4-polig, IP67
Konfektioniertes abgeschirmtes Kabel mit Anschlussdose abgewinkelt, Schirm aufgelegt.

Kabeldose KI-5-67:
Passend zu Drehgebern mit Sensor-Steckerabgang SB5 und SC5, 5-polig, IP67.
Konfektioniertes abgeschirmtes Kabel mit Anschlussdose gerade, Schirm aufgelegt.

Kabeldose KIA-5-67:
Passend zu Drehgebern mit Sensor-Steckerabgang SB5 und SC5, 5-polig, IP67.
Konfektioniertes abgeschirmtes Kabel mit Anschlussdose abgewinkelt, Schirm aufgelegt.

Kabeldose KD-5-40:
Passend zu Drehgebern mit Steckerabgang SI/SH, 5-polig, IP40
Gerade Anschlussdose oder konfektionierte Kabel mit gerader Anschlussdose.
Mit Innengewinde M16 x 0.75

Kabeldose KD-5-67:
Passend zu Drehgebern mit Steckerabgang SI/SH, 5-polig, IP67
Gerade Anschlussdose oder
konfektionierte Kabel mit gerader Anschlussdose.
Mit Innengewinde M16 x 0.75.

Kabeldose KDA-6-67:
Passend zu Drehgebern mit Steckerabgang SI/SH, 6-polig, IP67
Abgewinkelte Anschlussdose oder
konfektionierte Kabel mit abgewinkelter Anschlussdose.

Kabeldose KD-7-40:
Passend zu Drehgebern mit Steckerabgang S2/S3, 7-polig, IP40
Gerade Anschlussdose oder
konfektionierte Kabel mit gerader Anschlussdose.
Mit Innengewinde M16 x 0.75

Kabeldose KDA-7-40:
Passend zu Drehgebern mit Steckerabgang S2/S3, 7-polig, IP40
Abgewinkelte Anschlussdose oder
konfektionierte Kabel mit abgewinkelter Anschlussdose.
Mit Innengewinde M16 x 0.75

Kabeldose KD-7-67:
Passend zu Drehgebern mit Steckerabgang S2/S3, 7-polig, IP67
Gerade Anschlussdose oder
konfektionierte Kabel mit gerader Anschlussdose.
Mit Innengewinde M16 x 0.75

Kabeldose KDA-7-67:
Passend zu Drehgebern mit Steckerabgang S2/S3, 7-polig, IP67
Abgewinkelte Anschlussdose oder
konfektionierte Kabel mit abgewinkelter Anschlussdose.
Innengewinde M16 x 0.75

Kabeldose KI-8-67:
Passend zu Drehgebern mit Sensor-Steckerabgang SB8 und SC8, 8-polig, IP67
Konfektioniertes abgeschirmtes Kabel mit Anschlussdose gerade, Schirm aufgelegt.

Kabeldose KIA-8-67:
Passend zu Drehgebern mit Sensor-Steckerabgang SB8 und SC8, 8-polig, IP67
Konfektioniertes abgeschirmtes Kabel mit Anschlussdose abgewinkelt, Schirm aufgelegt.

Kabeldose KD-8-40:
Passend zu Drehgebern mit Steckerabgang SI/SH, 8-polig, IP40
Gerade Anschlussdose oder
konfektionierte Kabel mit gerader Anschlussdose.

Kabeldose KD-8-67:
Passend zu Drehgebern mit Steckerabgang SI/SH, 8-polig, IP67
Gerade Anschlussdose oder
konfektionierte Kabel mit gerader Anschlussdose.

Kabeldose KDA-8-67:
Passend zu Drehgebern mit Steckerabgang SI/SH, 8-polig, IP67
Abgewinkelte Anschlussdose oder
konfektionierte Kabel mit abgewinkelter Anschlussdose.
Innengewinde M16 x 0.75

Kabeldose KDA-8-67-S:
Passend zu Drehgebern mit Steckerabgang SI/SH, 8-polig, IP67
Abgewinkelt Anschlussdose, schirmbar oder
konfektionierte Kabel mit abgewinkelter Anschlussdose, durchgängig geschirmt.

Kabeldose KI-12-67:
Passend zu Drehgebern mit Sensor-Steckerabgang SB12 und SC12, 12-polig, IP67
Konfektioniertes abgeschirmtes Kabel mit Anschlussdose gerade, Schirm aufgelegt.

Kabeldose KIA-12-67:
Passend zu Drehgebern mit Sensor-Steckerabgang SB12 und SC12, 12-polig, IP67
Konfektioniertes abgeschirmtes Kabel mit Anschlussdose abgewinkelt, Schirm aufgelegt.

Kabeldose KD-SH12-67:
Passend zu Drehgebern mit Steckerabgang SI/SH, 12-polig, IP67
Gerade Anschlussdose oder
konfektionierte Kabel mit gerader Anschlussdose.

Kabeldose KD-12-67:
Passend zu Drehgebern mit Steckerabgang S4/S5, S4R/S5R, 12-polig, IP67
Gerade Anschlussdose oder
konfektionierte Kabel mit gerader Anschlussdose.
Links- oder rechtsdrehend.

Kabeldose KDA-12-67:
Passend zu Drehgebern mit Steckerabgang S4/S5, S4R/S5R, 12-polig, IP67
Abgewinkelt Anschlussdose oder
konfektionierte Kabel mit abgewinkelter Anschlussdose.
Links- oder rechtsdrehend.
Buchseneinsatz beliebig montierbar.

Kabeldose KD-8-40-15-S-DIZ:
Für Frequenzumrichter: Emotron
Passend zu Drehgebern mit Steckerabgang SI8 und SH8, 8-polig, IP40.
Stecker (Sub-D 15-polig, 2-reihig).
Konfektioniertes abgeschirmtes Kabel mit Anschlussdose gerade und Sub-D Stecker.
Dose-/Steckergehäuse mit Schirm leitend verbunden.

Kabeldose KD-8-40-15-S-RST:
Für Frequenzumrichter: RST
Passend zu Drehgebern mit Steckerabgang SI8 und SH8, 8-polig, IP40.
Stecker (Sub-D 15-polig, 2-reihig).
Konfektioniertes abgeschirmtes Kabel mit Anschlussdose gerade und Sub-D Stecker.
Dose-/Steckergehäuse mit Schirm leitend verbunden.

Kabeldose KD-8-40-15-S-SDR:
Für Steuerung: Schindler MX
Passend zu Drehgebern mit Steckerabgang SI8 und SH8, 8-polig, IP40.
Stecker (Sub-D 15-polig, 2-reihig).
Konfektioniertes abgeschirmtes Kabel mit Anschlussdose gerade und Sub-D Stecker.
Dose-/Steckergehäuse mit Schirm leitend verbunden.

Kabeldose KD-8-40-15-S-CTF:
Für Frequenzumrichter: Control Techniques
Passend zu Drehgebern mit Steckerabgang SI8 und SH8, 8-polig, IP40.
Stecker (Sub-D 15-polig, 3-reihig).
Konfektioniertes abgeschirmtes Kabel mit Anschlussdose gerade und Sub-D Stecker.
Dose-/Steckergehäuse mit Schirm leitend verbunden.

Kabeldose KD-8-40-15-S-KEB:
Für Frequenzumrichter: KEB
Passend zu Drehgebern mit Steckerabgang SI8 und SH8, 8-polig, IP40.
Stecker (Sub-D 15-polig, 3-reihig).
Konfektioniertes abgeschirmtes Kabel mit Anschlussdose gerade und Sub-D Stecker.
Dose-/Steckergehäuse mit Schirm leitend verbunden.

Kabeldose KD-8-40-15-S-LOH:
Für Frequenzumrichter: Flender Loher Typ: Dynavert L
Passend zu Drehgebern mit Steckerabgang SI8 und SH8, 8-polig, IP40.
Stecker (Sub-D 15-polig, 3-reihig).
Konfektioniertes abgeschirmtes Kabel mit Anschlussdose gerade und Sub-D Stecker.
Dose-/Steckergehäuse mit Schirm leitend verbunden.

Kabeldose KD-8-40-15-S-LIF:
Für Frequenzumrichter: Liftequip
Passend zu Drehgebern mit Steckerabgang SI8 und SH8, 8-polig, IP40.
Stecker (Sub-D 9-polig, 2-reihig).
Konfektioniertes abgeschirmtes Kabel mit Anschlussdose gerade und Sub-D Stecker.
Dose-/Steckergehäuse mit Schirm leitend verbunden.

Kabeldose KD-8-40-15-S-ZIL:
Für Frequenzumrichter: Ziehl-Abegg
Passend zu Drehgebern mit Steckerabgang SI8 und SH8, 8-polig, IP40.
Stecker (Sub-D 9-polig, 2-reihig).
Konfektioniertes abgeschirmtes Kabel mit Anschlussdose gerade und Sub-D Stecker.
Dose-/Steckergehäuse mit Schirm leitend verbunden.

Montagewinkel MW58B
passend für inkrementale Drehgeber WDGI 58B, 58K, 58D, 58N, WDG 58T und
absolute Drehgeber WDGA 58B, WDGA 58D.

Quadratflansch QF58B
passend für inkrementale Drehgeber WDGI 58B, 58K, 58D, 58N, WDG 58T und
absolute Drehgeber WDGA 58B, WDGA 58D.

Quadratflansch WDGQF58B04
passend für inkrementale Drehgeber WDGI 58B, 58K, 58D, 58N, WDG 58T und
absolute Drehgeber WDGA 58B, WDGA 58D.

Spannexzenter SP-3-00
passend für inkrementale Drehgeber WDG 40A, 50B, 58T, WDGI 58A, 58B, 58C, 58D, 58K, 63B, WDGP 36A, WDGP 58A, WDGP 58B und absolute Drehgeber WDGA 36A, WDGA 58A, WDGA 58B.

Balgkupplung BK29
für Drehgeber mit Wellen Ø 6 mm, 8 mm, 10 mm oder 12 mm*.
Max. Wellenversatz radial: ± 0,25 mm oder ± 0,30 mm*
Drehfedersteife: 150 Nm/rad oder 130 Nm/rad*

Doppelschlaufenkupplung DSK29
für Drehgeber mit Wellen Ø 6 mm, 8 mm oder 10 mm.
Keine bewegten Teile, thermisch und elektrisch isolierend, ruhiger Lauf, wartungsfrei.
Gute Beständigkeit gegen:
Benzin, Öl, Benzol, Toluol, aromatische- und nicht aromatische Kohlenwasserstoffe, Alkohole, Glykole, Lösungsmittel und viele Chemikalien.

Doppelschlaufenkupplung DSK38
für Drehgeber mit Wellen Ø 6 mm, 8 mm, 10 mm oder 12 mm.
Keine bewegten Teile, thermisch und elektrisch isolierend, ruhiger Lauf, wartungsfrei.
Gute Beständigkeit gegen:
Benzin, Öl, Benzol, Toluol, aromatische- und nicht aromatische Kohlenwasserstoffe, Alkohole, Glykole, Lösungsmittel und viele Chemikalien.

Linear-Ausgleich-Drehgeberhalter für Drehgebertypen 58B, 58D, 58K, 58N und 58T
zur Längenerfassung

Messrad MR150GR06
Umfang: 150 mm,
Belag: O-Ring 3,5 mm breit, Material NBR70
Einsatzgebiete: Holz, Metall, Förderbänder, Papier, Textilien.
Für Drehgeber mit Wellen Ø 6 mm.

Messräder MRA200KR
Umfang 200 mm,
Belag: Kreuzrändel
Einsatzgebiete: Pappe, Holz, Textilien, Gummi, weicher Kunststoff.
Für Drehgeber mit Wellen Ø 6 mm, Ø 10 mm oder Ø 12 mm.

Messräder MR200KG
Umfang 200 mm,
Belag: Kunststoff (Hytrel, geriffelt)
Einsatzgebiete: Kunststoff, lackierte Oberflächen, Papier, Pappe, Holz, Metall, Textilien.
Für Drehgeber mit Wellen Ø 6 mm oder 10 mm.

Messräder MRA200KG
Umfang 200 mm,
Belag: Kunststoff (Polyurethan, geriffelt)
Einsatzgebiete: Metall ungefettet, lackierte Oberfl., Kunststoffe, Papier, Pappe, Holz, Textilien, Glas, Bodenbeläge.
Für Drehgeber mit Wellen Ø 6 mm, Ø 10 mm oder Ø 12 mm

Messräder MR200KH
Umfang 200 mm,
Belag: Kunststoff (Hytrel, glatt)
Einsatzgebiete: Kunststoff, lackierte Oberflächen, Papier, Pappe, Holz, Metall, Textilien.
Für Drehgeber mit Wellen Ø 6 mm oder 10 mm.

Messräder MRA200KH
Umfang 200 mm,
Belag: Kunststoff (Polyurethan, glatt)
Einsatzgebiete: gefettete Metalle, Stahlprofile, lackierte Oberflächen, Kunststoffe, Papier, Pappe, Holz, Textilien, Draht, Leder.
Für Drehgeber mit Wellen Ø 6 mm, Ø 10 mm oder Ø 12 mm.

Messräder MRA200NG
Umfang 200 mm,
Belag: Kunststoff (Polyurethan, genoppt)
Einsatzgebiete: grobe Textilien, Teppich, Kabelmessung, Vlies, Papier, Pappe, Holz, Kunststoffe.
Für Drehgeber mit Wellen Ø 6 mm, Ø 10 mm oder Ø 12 mm.











































































