Drehgeber inkremental,
Impulszahlen: bis 16384 I/U,
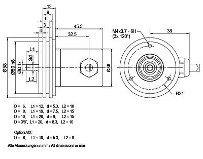
Vollwelle, Synchroflansch: Ø 58 mm
Welle: Ø 6 mm, Ø 8 mm, Ø 3/8" (9.525 mm), Ø 10 mm
Signalform: Rechteck,
Auswählbar: Nullimpuls setzen,
TTL/RS422 Ausgang bei 10-32 VDC möglich,
Funktionsprinzip: magnetisch.

- Durch hochwertige Elektronik jede beliebige Impulszahl bis 16384
- Schutzart IP67, am Welleneingang IP65
- Hohe Ausgabefrequenz bis zu 1 MHz
- Verpol- und Kurzschlussschutz bei 4,75 VDC bis 32 VDC
Wellenlänge: L: 12 mm
Max. Wellenbelastung radial: 125 N
Max. Wellenbelastung axial: 120 N
Wellenlänge: L: 19 mm
Max. Wellenbelastung radial: 125 N
Max. Wellenbelastung axial: 120 N
Wellenlänge: L: 20 mm
Max. Wellenbelastung radial: 220 N
Max. Wellenbelastung axial: 120 N
Wellenlänge: L: 20 mm
Max. Wellenbelastung radial: 220 N
Max. Wellenbelastung axial: 120 N
Eigenstromaufnahme: typ. 80 mA
Nullimpuls setzen:
Setzen: SET = +UB für 2 s
Deaktiviert: SET = GND
Umweltdaten
ESD (DIN EN 61000-4-2):
8 kV
Burst (DIN EN 61000-4-4):
2 kV
das schließt ein EMC:
DIN EN 61000-6-2
DIN EN 61000-6-3
Vibration:
(DIN EN 60068-2-6)
50 m/s2 (10 Hz bis 2000 Hz)
Schock:
(DIN EN 60068-2-27)
1000 m/s2 (6 ms)
Elektrische Sicherheit:
DIN EN 61010-1 (VDE 0411-1) / IEC 61010-1 / UL 61010-1 / CSA C22.0 No 61010-1-12
Zolltarif-Informationen
Zolltarifnummer:
90318020
Ursprungsland:
Deutschland
Ihre gewünschte STEP-Datei ist nicht aufgeführt:
Anforderung STEP Datei hier
| Beschreibung | ABN inv. möglich | |
|---|---|---|
| L2 | axial, Schirm mit Gebergehäuse leitend verbunden | ● |
| L2 | L2 | |
| Schaltung | M13, M14 | N13, N14 |
| GND | WH | WH |
| +UB | BN | BN |
| A | GN | GN |
| B | YE | YE |
| N | GY | GY |
| SET | PK | PK |
| A inv. | RD | - |
| B inv. | BK | - |
| N inv. | VT | - |
| Schirm | Litze | Litze |
Ihre gewünschte STEP-Datei ist nicht aufgeführt:
Anforderung STEP Datei hier
| Beschreibung | ABN inv. möglich | |
|---|---|---|
| L3 | radial, Schirm mit Gebergehäuse leitend verbunden | ● |
| L3 | L3 | |
| Schaltung | M13, M14 | N13, N14 |
| GND | WH | WH |
| +UB | BN | BN |
| A | GN | GN |
| B | YE | YE |
| N | GY | GY |
| SET | PK | PK |
| A inv. | RD | - |
| B inv. | BK | - |
| N inv. | VT | - |
| Schirm | Litze | Litze |
Ihre gewünschte STEP-Datei ist nicht aufgeführt:
Anforderung STEP Datei hier
| Beschreibung | ABN inv. möglich | |
|---|---|---|
| K1 | radial, Schirm offen (IP40) | ● |
| K1 | K1 | |
| Schaltung | M13, M14 | N13, N14 |
| GND | WH | WH |
| +UB | BN | BN |
| A | GN | GN |
| B | YE | YE |
| N | GY | GY |
| SET | PK | PK |
| A inv. | RD | - |
| B inv. | BK | - |
| N inv. | VT | - |
| Schirm | Litze | Litze |
Ihre gewünschte STEP-Datei ist nicht aufgeführt:
Anforderung STEP Datei hier
| Beschreibung | ABN inv. möglich | |
|---|---|---|
| SB12 | axial, 12-polig, Stecker mit Gebergehäuse leitend verbunden | ● |
Ihre gewünschte STEP-Datei ist nicht aufgeführt:
Anforderung STEP Datei hier
| Beschreibung | ABN inv. möglich | |
|---|---|---|
| SC12 | radial, 12-polig, Stecker mit Gebergehäuse leitend verbunden | ● |
1-16384 I/U
Der Drehgeber WDGP 58A ist auch mit der hohen Schutzart IP67 lieferbar.
(IP67 rundum nur Anschluss SB, SC, L2 und L3, nicht Kabelabgang K1 = IP40)
Max. Betriebsdrehzahl: 3500 min'-1
Zulässige Wellenbelastung: axial 100 N; radial 110 N
Anlaufdrehmoment: ca. 4 Ncm bei Raumtemperatur
Der Drehgeber WDGP 58A Welle: Ø 6 mm ist auch mit einer verkürzten Welle L = 10 mm erhältlich.
Bei der Bestellung ergänzen Sie bitte die Bestellnummer mit einer 3-stelligen Ziffer welche die Länge in Dezimeter angibt.
Beispiel: 5 m Kabellänge = 050

Kabeldose KI-12-67:
Passend zu Drehgebern mit Sensor-Steckerabgang SB12 und SC12, 12-polig, IP67
Konfektioniertes abgeschirmtes Kabel mit Anschlussdose gerade, Schirm aufgelegt.

Kabeldose KIA-12-67:
Passend zu Drehgebern mit Sensor-Steckerabgang SB12 und SC12, 12-polig, IP67
Konfektioniertes abgeschirmtes Kabel mit Anschlussdose abgewinkelt, Schirm aufgelegt.

Spannexzenter SP-3-00
passend für inkrementale Drehgeber WDG 40A, 50B, 58T, WDGI 58A, 58B, 58C, 58D, 58K, 63B, WDGP 36A, WDGP 58A, WDGP 58B und absolute Drehgeber WDGA 36A, WDGA 58A, WDGA 58B.

Balgkupplung BK29
für Drehgeber mit Wellen Ø 6 mm, 8 mm, 10 mm oder 12 mm*.
Max. Wellenversatz radial: ± 0,25 mm oder ± 0,30 mm*
Drehfedersteife: 150 Nm/rad oder 130 Nm/rad*

Doppelschlaufenkupplung DSK29
für Drehgeber mit Wellen Ø 6 mm, 8 mm oder 10 mm.
Keine bewegten Teile, thermisch und elektrisch isolierend, ruhiger Lauf, wartungsfrei.
Gute Beständigkeit gegen:
Benzin, Öl, Benzol, Toluol, aromatische- und nicht aromatische Kohlenwasserstoffe, Alkohole, Glykole, Lösungsmittel und viele Chemikalien.

Doppelschlaufenkupplung DSK38
für Drehgeber mit Wellen Ø 6 mm, 8 mm, 10 mm oder 12 mm.
Keine bewegten Teile, thermisch und elektrisch isolierend, ruhiger Lauf, wartungsfrei.
Gute Beständigkeit gegen:
Benzin, Öl, Benzol, Toluol, aromatische- und nicht aromatische Kohlenwasserstoffe, Alkohole, Glykole, Lösungsmittel und viele Chemikalien.

Messräder MRA200KR
Umfang 200 mm,
Belag: Kreuzrändel
Einsatzgebiete: Pappe, Holz, Textilien, Gummi, weicher Kunststoff.
Für Drehgeber mit Wellen Ø 6 mm, Ø 10 mm oder Ø 12 mm.

Messräder MR200KH
Umfang 200 mm,
Belag: Kunststoff (Hytrel, glatt)
Einsatzgebiete: Kunststoff, lackierte Oberflächen, Papier, Pappe, Holz, Metall, Textilien.
Für Drehgeber mit Wellen Ø 6 mm oder 10 mm.

Messräder MRA200KH
Umfang 200 mm,
Belag: Kunststoff (Polyurethan, glatt)
Einsatzgebiete: gefettete Metalle, Stahlprofile, lackierte Oberflächen, Kunststoffe, Papier, Pappe, Holz, Textilien, Draht, Leder.
Für Drehgeber mit Wellen Ø 6 mm, Ø 10 mm oder Ø 12 mm.

Messräder MRA200NG
Umfang 200 mm,
Belag: Kunststoff (Polyurethan, genoppt)
Einsatzgebiete: grobe Textilien, Teppich, Kabelmessung, Vlies, Papier, Pappe, Holz, Kunststoffe.
Für Drehgeber mit Wellen Ø 6 mm, Ø 10 mm oder Ø 12 mm.

Messräder MR200KG
Umfang 200 mm,
Belag: Kunststoff (Hytrel, geriffelt)
Einsatzgebiete: Kunststoff, lackierte Oberflächen, Papier, Pappe, Holz, Metall, Textilien.
Für Drehgeber mit Wellen Ø 6 mm oder 10 mm.

Messräder MRA200KG
Umfang 200 mm,
Belag: Kunststoff (Polyurethan, geriffelt)
Einsatzgebiete: Metall ungefettet, lackierte Oberfl., Kunststoffe, Papier, Pappe, Holz, Textilien, Glas, Bodenbeläge.
Für Drehgeber mit Wellen Ø 6 mm, Ø 10 mm oder Ø 12 mm















































