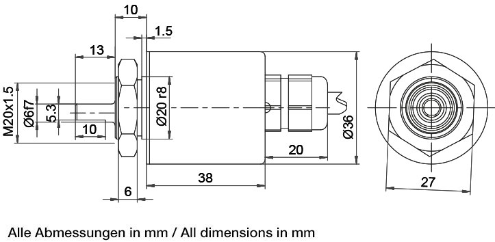
Drehgeber absolut RS485 WDGA 36S,
Vollwelle, Schraubflansch;
Gehäuse: Ø 36 mm
16/32-bit Single-/Multiturn;
Vollwelle: Ø 6 mm;
CRC Checksumme

- EnDra®-Multiturntechnologie: wartungsfrei und umweltschonend
- Kompakte und robuste Industrieausführung
- Schnittstelle: RS485
- Nullsetzbar
- Zählrichtung wechselbar
- LED für Statussignalisierung
- EMC: EN 61000-6-2, EN 61000-6-3
bis zu 65.536 Schritte/360° (16 Bit)
Multiturn Auflösungbis zu 32 Bit.
Wellenlänge: L: 13 mm
Max. Wellenbelastung radial: 80 N
Max. Wellenbelastung axial: 50 N
Eigenstromaufnahme: typ. 50 mA
Leistungsaufnahme: max. 0,5 W
Eigenstromaufnahme: typ. 80 mA
Leistungsaufnahme: max. 0,44 W
Ihre gewünschte STEP-Datei ist nicht aufgeführt:
Anforderung STEP Datei hier
| Beschreibung | |
|---|---|
| L2 | axial, Schirm mit Gebergehäuse leitend verbunden |
| S- (GND) | WH |
| S+ (DCin) | BN |
| A (DATA+) | GY |
| B (DATA-) | PK |
| PRESET | BU |
| DIR | RD |
| Schirm | housing |
Ihre gewünschte STEP-Datei ist nicht aufgeführt:
Anforderung STEP Datei hier
| Beschreibung | |
|---|---|
| L3 | radial, Schirm mit Gebergehäuse leitend verbunden |
| S- (GND) | WH |
| S+ (DCin) | BN |
| A (DATA+) | GY |
| B (DATA-) | PK |
| PRESET | BU |
| DIR | RD |
| Schirm | housing |
Ihre gewünschte STEP-Datei ist nicht aufgeführt:
Anforderung STEP Datei hier
| Beschreibung | |
|---|---|
| K1 | radial, Schirm offen |
| S- (GND) | WH |
| S+ (DCin) | BN |
| A (DATA+) | GY |
| B (DATA-) | PK |
| PRESET | BU |
| DIR | RD |
| Schirm | housing offen |
Ihre gewünschte STEP-Datei ist nicht aufgeführt:
Anforderung STEP Datei hier
| Beschreibung | |
|---|---|
| K6 | axial, Schirm offen |
| S- (GND) | WH |
| S+ (DCin) | BN |
| A (DATA+) | GY |
| B (DATA-) | PK |
| PRESET | BU |
| DIR | RD |
| Schirm | housing offen |
Ihre gewünschte STEP-Datei ist nicht aufgeführt:
Anforderung STEP Datei hier
| Beschreibung | |
|---|---|
| CB8 | axial, 8-polig, Schirm mit Gebergehäuse leitend verbunden |
Ihre gewünschte STEP-Datei ist nicht aufgeführt:
Anforderung STEP Datei hier
| Beschreibung | |
|---|---|
| CC8 | radial, 8-polig, Schirm mit Gebergehäuse leitend verbunden |

- Absolute Drehgeber mit Flansch Ø 36 mm / Ø 58 mm
- Single-/Multiturn (16/43 Bit)
- Zukunftsweisende Technologie mit 32 Bit Prozessor
- Höchste Lagerlasten, IP67
- EnDra®-Multiturn-Technologie: ohne Getriebe, ohne Batterie
- QuattroMag® Singleturn-Technologie: Hohe Genauigkeit +/- 0,0878°

- Inkrementale und absolute Drehgeber
- Digitale Schachtkopierung
- Eigene Entwicklung und Herstellung
- Motorfeedback
- Messsysteme

Kabeldose KI-8-67-EIA:
Passend zu Drehgebern absolut WDGA RS485
mit Steckerabgang CB8 und CC8, 8-polig, IP67
Konfektioniertes abgeschirmtes Kabel
mit Anschlussdose gerade, Schirm aufgelegt.

Kabeldose KIA-8-67-EIA:
Passend zu Drehgebern absolut WDGA RS485
mit Sensor-Steckerabgang CB8 und CC8, 8-polig, IP67
Konfektioniertes abgeschirmtes Kabel
mit Anschlussdose abgewinkelt, Schirm aufgelegt.

Balgkupplung BK29
für Drehgeber mit Wellen Ø 6 mm, 8 mm, 10 mm oder 12 mm*.
Max. Wellenversatz radial: ± 0,25 mm oder ± 0,30 mm*
Drehfedersteife: 150 Nm/rad oder 130 Nm/rad*

Doppelschlaufenkupplung DSK29
für Drehgeber mit Wellen Ø 6 mm, 8 mm oder 10 mm.
Keine bewegten Teile, thermisch und elektrisch isolierend, ruhiger Lauf, wartungsfrei.
Gute Beständigkeit gegen:
Benzin, Öl, Benzol, Toluol, aromatische- und nicht aromatische Kohlenwasserstoffe, Alkohole, Glykole, Lösungsmittel und viele Chemikalien.

Doppelschlaufenkupplung DSK38
für Drehgeber mit Wellen Ø 6 mm, 8 mm, 10 mm oder 12 mm.
Keine bewegten Teile, thermisch und elektrisch isolierend, ruhiger Lauf, wartungsfrei.
Gute Beständigkeit gegen:
Benzin, Öl, Benzol, Toluol, aromatische- und nicht aromatische Kohlenwasserstoffe, Alkohole, Glykole, Lösungsmittel und viele Chemikalien.

Messrad MR150GR06
Umfang: 150 mm,
Belag: O-Ring 3,5 mm breit, Material NBR70
Einsatzgebiete: Holz, Metall, Förderbänder, Papier, Textilien.
Für Drehgeber mit Wellen Ø 6 mm.

Messräder MRA200KR
Umfang 200 mm,
Belag: Kreuzrändel
Einsatzgebiete: Pappe, Holz, Textilien, Gummi, weicher Kunststoff.
Für Drehgeber mit Wellen Ø 6 mm, Ø 10 mm oder Ø 12 mm.

Messräder MR200KH
Umfang 200 mm,
Belag: Kunststoff (Hytrel, glatt)
Einsatzgebiete: Kunststoff, lackierte Oberflächen, Papier, Pappe, Holz, Metall, Textilien.
Für Drehgeber mit Wellen Ø 6 mm oder 10 mm.

Messräder MRA200KH
Umfang 200 mm,
Belag: Kunststoff (Polyurethan, glatt)
Einsatzgebiete: gefettete Metalle, Stahlprofile, lackierte Oberflächen, Kunststoffe, Papier, Pappe, Holz, Textilien, Draht, Leder.
Für Drehgeber mit Wellen Ø 6 mm, Ø 10 mm oder Ø 12 mm.

Messräder MRA200NG
Umfang 200 mm,
Belag: Kunststoff (Polyurethan, genoppt)
Einsatzgebiete: grobe Textilien, Teppich, Kabelmessung, Vlies, Papier, Pappe, Holz, Kunststoffe.
Für Drehgeber mit Wellen Ø 6 mm, Ø 10 mm oder Ø 12 mm.

Messräder MR200KG
Umfang 200 mm,
Belag: Kunststoff (Hytrel, geriffelt)
Einsatzgebiete: Kunststoff, lackierte Oberflächen, Papier, Pappe, Holz, Metall, Textilien.
Für Drehgeber mit Wellen Ø 6 mm oder 10 mm.

Messräder MRA200KG
Umfang 200 mm,
Belag: Kunststoff (Polyurethan, geriffelt)
Einsatzgebiete: Metall ungefettet, lackierte Oberfl., Kunststoffe, Papier, Pappe, Holz, Textilien, Glas, Bodenbeläge.
Für Drehgeber mit Wellen Ø 6 mm, Ø 10 mm oder Ø 12 mm




































