Drehgeber inkremental,
Impulszahlen: bis 25000 I/U,
Vollwelle, Klemmflansch: Ø 63 mm
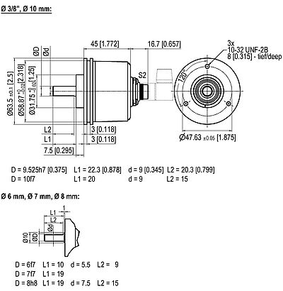
Welle Ø: 6 mm, 7 mm, 8 mm, 3/8" (9.525 mm), 10 mm;
Ø 12 mm auf Anfrage,
Schutzart: bis IP67 rundum,
Signalformen: Rechteck oder Sinus/Cosinus,
Funktionsprinzip: optisch.

- Aluminium-Druckgussgehäuse mit
besonders umweltfreundlicher Pulverbeschichtung - Durch hochwertige Elektronik bis 25000 Impulse
- Schutzart IP67, am Welleneingang IP65
- Voller Anschlussschutz bei 10 VDC bis 30 VDC
- Hohe Ausgabefrequenz bis zu 600 kHz/2 MHz
- Optional:
-40 °C bis +85 °C,
Schutzart IP67 rundum,
Druckausgleichsmembran
Wellenlänge: L: 10 mm
Max. Wellenbelastung radial: 220 N
Max. Wellenbelastung axial: 120 N
Hinweis: Achtung: Keine Option AAO = IP67 rundum
Wellenlänge: L: 19 mm
Max. Wellenbelastung radial: 80 N
Max. Wellenbelastung axial: 50 N
Wellenlänge: L: 19 mm
Max. Wellenbelastung radial: 220 N
Max. Wellenbelastung axial: 120 N
Wellenlänge: L: 22,3 mm
Max. Wellenbelastung radial: 220 N
Max. Wellenbelastung axial: 120 N
Wellenlänge: L: 20 mm
Max. Wellenbelastung radial: 220 N
Max. Wellenbelastung axial: 120 N
Eigenstromaufnahme: typ. 70 mA (100 mA nur F05, P05)
Eigenstromaufnahme: typ. 70 mA
Eigenstromaufnahme: typ. 70 mA (100 mA nur F24, P24, 645)
Umweltdaten
ESD (DIN EN 61000-4-2):
8 kV
Burst (DIN EN 61000-4-4):
2 kV
das schließt ein EMC:
DIN EN 61000-6-2
DIN EN 61000-6-3
Vibration:
(DIN EN 60068-2-6)
50 m/s2 (10 Hz bis 2000 Hz)
Schock:
(DIN EN 60068-2-27)
1000 m/s2 (6 ms)
Elektrische Sicherheit:
Gemäß DIN VDE 0160
Zolltarif-Informationen
Zolltarifnummer:
90318020
Ursprungsland:
Deutschland
1 Vss: -10 °C bis +70 °C
Ihre gewünschte STEP-Datei ist nicht aufgeführt:
Anforderung STEP Datei hier
| Beschreibung | ABN inv. möglich | |
|---|---|---|
| K2 | axial, Schirm offen | ● |
| L2 | axial, Schirm mit Gebergehäuse leitend verbunden | ● |
| K2, L2 | K2, L2 | L2 | |
| Schaltung | F05, H05, F24, H24, H30 | P05, R05, P24, R24, 245, 645, R30 | SIN |
| GND | WH | WH | WH |
| +UB | BN | BN | BN |
| A | GN | GN | GN |
| B | YE | YE | GY |
| N | GY | GY | - |
| - | - | - | - |
| A inv. | - | RD | YE |
| B inv. | - | BK, (BU bei ACA) | PK |
| N inv. | - | VT | - |
| Schirm | Litze | Litze | Litze |
Ihre gewünschte STEP-Datei ist nicht aufgeführt:
Anforderung STEP Datei hier
| Beschreibung | ABN inv. möglich | |
|---|---|---|
| K3 | radial, Schirm offen | ● |
| L3 | radial, Schirm mit Gebergehäuse leitend verbunden | ● |
| K3, L3 | K3, L3 | L3 | |
| Schaltung | F05, H05, F24, H24, H30 | P05, R05, P24, R24, 245, 645, R30 | SIN |
| GND | WH | WH | WH |
| +UB | BN | BN | BN |
| A | GN | GN | GN |
| B | YE | YE | GY |
| N | GY | GY | - |
| - | - | - | - |
| A inv. | - | RD | YE |
| B inv. | - | BK, (BU bei ACA) | PK |
| N inv. | - | VT | - |
| Schirm | Litze | Litze | Litze |
Ihre gewünschte STEP-Datei ist nicht aufgeführt:
Anforderung STEP Datei hier
| Beschreibung | ABN inv. möglich | |
|---|---|---|
| SI5 | axial, 5-polig, Stecker mit Gebergehäuse leitend verbunden | - |
| SI6 | axial, 6-polig, Stecker mit Gebergehäuse leitend verbunden | - |
| SI8 | axial, 8-polig, Stecker mit Gebergehäuse leitend verbunden | ● |
| SI12 | axial, 12-polig, Stecker mit Gebergehäuse leitend verbunden | ● |
| SI5 | SI6 | SI8 | SI8 | SI12 | SI12 | |
| 5-polig | 6-polig | 8-polig | 8-polig | 12-polig | 12-polig | |
| Steckerbild | ![]() | ![]() | ![]() | ![]() | ||
| Schaltung | F05, H05, F24, H24, H30 | F05, H05, F24, H24, H30 | P05, R05, P24, R24, R30, 245, 645 | SIN | P05, R05, P24, R24, 245, 645, R30 | SIN |
| GND | 1 | 6 | 1 | 1 | K, L | K, L |
| +UB | 2 | 1 | 2 | 2 | M, B | M, B |
| A | 3 | 2 | 3 | 3 | E | E |
| B | 4 | 4 | 4 | 4 | H | H |
| N | 5 | 3 | 5 | - | C | - |
| - | - | - | - | - | - | - |
| A inv. | - | - | 6 | 6 | F | F |
| B inv. | - | - | 7 | 7 | A | A |
| N inv. | - | - | 8 | - | D | - |
| n. c. | - | 5 | - | 5, 8 | G, J | D, G, J |
| Schirm | - | - | - | - | - | - |
Ihre gewünschte STEP-Datei ist nicht aufgeführt:
Anforderung STEP Datei hier
| Beschreibung | ABN inv. möglich | |
|---|---|---|
| SH5 | radial, 5-polig, Stecker mit Gebergehäuse leitend verbunden | - |
| SH6 | radial, 6-polig, Stecker mit Gebergehäuse leitend verbunden | - |
| SH8 | radial, 8-polig, Stecker mit Gebergehäuse leitend verbunden | ● |
| SH12 | radial, 12-polig, Stecker mit Gebergehäuse leitend verbunden | ● |
| SH5 | SH6 | SH8 | SH8 | SH12 | SH12 | |
| 5-polig | 6-polig | 8-polig | 8-polig | 12-polig | 12-polig | |
| Steckerbild | ![]() | ![]() | ![]() | ![]() | ||
| Schaltung | F05, H05, F24, H24, H30 | F05, H05, F24, H24, H30 | P05, R05, P24, R24, R30, 245, 645 | SIN | P05, R05, P24, R24, 245, 645, R30 | SIN |
| GND | 1 | 6 | 1 | 1 | K, L | K, L |
| +UB | 2 | 1 | 2 | 2 | M, B | M, B |
| A | 3 | 2 | 3 | 3 | E | E |
| B | 4 | 4 | 4 | 4 | H | H |
| N | 5 | 3 | 5 | - | C | - |
| - | - | - | - | - | - | - |
| A inv. | - | - | 6 | 6 | F | F |
| B inv. | - | - | 7 | 7 | A | A |
| N inv. | - | - | 8 | - | D | - |
| n. c. | - | 5 | - | 5, 8 | G, J | D, G, J |
| Schirm | - | - | - | - | - | - |
Ihre gewünschte STEP-Datei ist nicht aufgeführt:
Anforderung STEP Datei hier
| Beschreibung | ABN inv. möglich | |
|---|---|---|
| S2 | axial, 7-polig, Stecker mit Gebergehäuse leitend verbunden | - |
Ihre gewünschte STEP-Datei ist nicht aufgeführt:
Anforderung STEP Datei hier
| Beschreibung | ABN inv. möglich | |
|---|---|---|
| S3 | radial, 7-polig, Stecker mit Gebergehäuse leitend verbunden | - |
Ihre gewünschte STEP-Datei ist nicht aufgeführt:
Anforderung STEP Datei hier
| Beschreibung | ABN inv. möglich | |
|---|---|---|
| S4 | axial, 12-polig, Stecker mit Gebergehäuse leitend verbunden | ● |
Ihre gewünschte STEP-Datei ist nicht aufgeführt:
Anforderung STEP Datei hier
| Beschreibung | ABN inv. möglich | |
|---|---|---|
| S5 | radial, 12-polig, Stecker mit Gebergehäuse leitend verbunden | ● |
Ihre gewünschte STEP-Datei ist nicht aufgeführt:
Anforderung STEP Datei hier
| Beschreibung | ABN inv. möglich | |
|---|---|---|
| S4R | axial, 12-polig, Stecker mit Gebergehäuse leitend verbunden | ● |
Ihre gewünschte STEP-Datei ist nicht aufgeführt:
Anforderung STEP Datei hier
| Beschreibung | ABN inv. möglich | |
|---|---|---|
| S5R | radial, 12-polig, Stecker mit Gebergehäuse leitend verbunden | ● |
Ihre gewünschte STEP-Datei ist nicht aufgeführt:
Anforderung STEP Datei hier
| Beschreibung | ABN inv. möglich | |
|---|---|---|
| SB4 | axial, 4-polig, Stecker mit Gebergehäuse leitend verbunden | - |
| SB5 | axial, 5-polig, Stecker mit Gebergehäuse leitend verbunden | - |
| SB8 | axial, 8-polig, Stecker mit Gebergehäuse leitend verbunden | ● |
| SB12 | axial, 12-polig, Stecker mit Gebergehäuse leitend verbunden | ● |
| SB4 | SB5 | SB8 | SB8 | SB12 | |
| 4-polig | 5-polig | 8-polig | 8-polig | 12-polig | |
| Steckerbild | ![]() | ![]() | ![]() | ![]() | |
| Schaltung | F05, H05, F24, H24, H30 | F05, H05, F24, H24, H30 | P05, R05, P24, R24, R30, 245, 645 | SIN | P05, R05, P24, R24, 245, 645, R30 |
| GND | 3 | 3 | 1 | 1 | 3 |
| +UB | 1 | 1 | 2 | 2 | 1 |
| A | 2 | 4 | 3 | 3 | 4 |
| B | 4 | 2 | 4 | 5 | 6 |
| N | - | 5 | 5 | - | 8 |
| - | - | - | - | - | - |
| A inv. | - | - | 6 | 4 | 9 |
| B inv. | - | - | 7 | 6 | 7 |
| N inv. | - | - | 8 | - | 10 |
| n. c. | - | - | - | 7, 8 | 2, 5, 11, 12 |
| Schirm | - | - | - | - | - |
Ihre gewünschte STEP-Datei ist nicht aufgeführt:
Anforderung STEP Datei hier
| Beschreibung | ABN inv. möglich | |
|---|---|---|
| SC4 | radial, 4-polig, Stecker mit Gebergehäuse leitend verbunden | - |
| SC5 | radial, 5-polig, Stecker mit Gebergehäuse leitend verbunden | - |
| SC8 | radial, 8-polig, Stecker mit Gebergehäuse leitend verbunden | ● |
| SC12 | radial, 12-polig, Stecker mit Gebergehäuse leitend verbunden | ● |
| SC4 | SC5 | SC8 | SC8 | SC12 | |
| 4-polig | 5-polig | 8-polig | 8-polig | 12-polig | |
| Steckerbild | ![]() | ![]() | ![]() | ![]() | |
| Schaltung | F05, H05, F24, H24, H30 | F05, H05, F24, H24, H30 | P05, R05, P24, R24, R30, 245, 645 | SIN | P05, R05, P24, R24, 245, 645, R30 |
| GND | 3 | 3 | 1 | 1 | 3 |
| +UB | 1 | 1 | 2 | 2 | 1 |
| A | 2 | 4 | 3 | 3 | 4 |
| B | 4 | 2 | 4 | 5 | 6 |
| N | - | 5 | 5 | - | 8 |
| - | - | - | - | - | - |
| A inv. | - | - | 6 | 4 | 9 |
| B inv. | - | - | 7 | 6 | 7 |
| N inv. | - | - | 8 | - | 10 |
| n. c. | - | - | - | 7, 8 | 2, 5, 11, 12 |
| Schirm | - | - | - | - | - |
bis 2500 I/U
bis 5000 I/U
(höhere Frequenz) 1200 bis 25000 I/U
1024, 2048 I/U
| Max. Betriebsdrehzahl: | 3500 min'-1 |
| Zulässige Wellenbelastung, axial: | 100 N |
| Zulässige Wellenbelastung, radial: | 110 N |
| Max. Impulszahl: | 25000 I/U |
| Anlaufdrehmoment: | ca. 4 Ncm bei Raumtemperatur |
Der Drehgeber WDGI 63B ist optional auch mit einer Druckausgleichsmembran erhältlich. Diese verhindert das Eindringen von Wasser in das Drehgebergehäuse bei hoher Luftfeuchtigkeit.
Schutzart bis IP67, Temperaturbereich und Salznebelbeständigkeit bleiben erhalten. Chemikalien- und Lösemittelbeständig nach DIN EN ISO2812-1
Bei der Bestellung ergänzen Sie bitte die Bestellnummer mit einer 3-stelligen Ziffer welche die Länge in Dezimeter angibt.
Beispiel: 5 m Kabellänge = 050


- Aluminium-Druckgussgehäuse pulverbeschichtet
- Maximale Lagerlasten bis zu 500 N axial/radial
- Druckausgleichsmembran
- Hohe Ausgabefrequenz 600 kHz / 2 MHz
- Erweiterte Arbeitstemperatur -40 °C bis +85 °C

- Inkrementale und absolute Drehgeber
- Digitale Schachtkopierung
- Eigene Entwicklung und Herstellung
- Motorfeedback
- Messsysteme

Kabeldose KI-4-67:
Passend zu Drehgebern mit Sensor-Steckerabgang SB4 und SC4, 4-polig, IP67
Konfektioniertes abgeschirmtes Kabel mit Anschlussdose gerade,
Schirm aufgelegt.

Kabeldose KIA-4-67:
Passend zu Drehgebern mit Sensor-Steckerabgang SB4 und SC4, 4-polig, IP67
Konfektioniertes abgeschirmtes Kabel mit Anschlussdose abgewinkelt, Schirm aufgelegt.

Kabeldose KI-5-67:
Passend zu Drehgebern mit Sensor-Steckerabgang SB5 und SC5, 5-polig, IP67.
Konfektioniertes abgeschirmtes Kabel mit Anschlussdose gerade, Schirm aufgelegt.

Kabeldose KIA-5-67:
Passend zu Drehgebern mit Sensor-Steckerabgang SB5 und SC5, 5-polig, IP67.
Konfektioniertes abgeschirmtes Kabel mit Anschlussdose abgewinkelt, Schirm aufgelegt.

Kabeldose KD-5-40:
Passend zu Drehgebern mit Steckerabgang SI/SH, 5-polig, IP40
Gerade Anschlussdose oder konfektionierte Kabel mit gerader Anschlussdose.
Mit Innengewinde M16 x 0.75

Kabeldose KD-5-67:
Passend zu Drehgebern mit Steckerabgang SI/SH, 5-polig, IP67
Gerade Anschlussdose oder
konfektionierte Kabel mit gerader Anschlussdose.
Mit Innengewinde M16 x 0.75.

Kabeldose KDA-6-67:
Passend zu Drehgebern mit Steckerabgang SI/SH, 6-polig, IP67
Abgewinkelte Anschlussdose oder
konfektionierte Kabel mit abgewinkelter Anschlussdose.

Kabeldose KD-7-40:
Passend zu Drehgebern mit Steckerabgang S2/S3, 7-polig, IP40
Gerade Anschlussdose oder
konfektionierte Kabel mit gerader Anschlussdose.
Mit Innengewinde M16 x 0.75

Kabeldose KDA-7-40:
Passend zu Drehgebern mit Steckerabgang S2/S3, 7-polig, IP40
Abgewinkelte Anschlussdose oder
konfektionierte Kabel mit abgewinkelter Anschlussdose.
Mit Innengewinde M16 x 0.75

Kabeldose KD-7-67:
Passend zu Drehgebern mit Steckerabgang S2/S3, 7-polig, IP67
Gerade Anschlussdose oder
konfektionierte Kabel mit gerader Anschlussdose.
Mit Innengewinde M16 x 0.75

Kabeldose KDA-7-67:
Passend zu Drehgebern mit Steckerabgang S2/S3, 7-polig, IP67
Abgewinkelte Anschlussdose oder
konfektionierte Kabel mit abgewinkelter Anschlussdose.
Innengewinde M16 x 0.75

Kabeldose KI-8-67:
Passend zu Drehgebern mit Sensor-Steckerabgang SB8 und SC8, 8-polig, IP67
Konfektioniertes abgeschirmtes Kabel mit Anschlussdose gerade, Schirm aufgelegt.

Kabeldose KIA-8-67:
Passend zu Drehgebern mit Sensor-Steckerabgang SB8 und SC8, 8-polig, IP67
Konfektioniertes abgeschirmtes Kabel mit Anschlussdose abgewinkelt, Schirm aufgelegt.

Kabeldose KD-8-40:
Passend zu Drehgebern mit Steckerabgang SI/SH, 8-polig, IP40
Gerade Anschlussdose oder
konfektionierte Kabel mit gerader Anschlussdose.

Kabeldose KD-8-67:
Passend zu Drehgebern mit Steckerabgang SI/SH, 8-polig, IP67
Gerade Anschlussdose oder
konfektionierte Kabel mit gerader Anschlussdose.

Kabeldose KDA-8-67:
Passend zu Drehgebern mit Steckerabgang SI/SH, 8-polig, IP67
Abgewinkelte Anschlussdose oder
konfektionierte Kabel mit abgewinkelter Anschlussdose.
Innengewinde M16 x 0.75

Kabeldose KDA-8-67-S:
Passend zu Drehgebern mit Steckerabgang SI/SH, 8-polig, IP67
Abgewinkelt Anschlussdose, schirmbar oder
konfektionierte Kabel mit abgewinkelter Anschlussdose, durchgängig geschirmt.

Kabeldose KI-12-67:
Passend zu Drehgebern mit Sensor-Steckerabgang SB12 und SC12, 12-polig, IP67
Konfektioniertes abgeschirmtes Kabel mit Anschlussdose gerade, Schirm aufgelegt.

Kabeldose KIA-12-67:
Passend zu Drehgebern mit Sensor-Steckerabgang SB12 und SC12, 12-polig, IP67
Konfektioniertes abgeschirmtes Kabel mit Anschlussdose abgewinkelt, Schirm aufgelegt.

Kabeldose KD-SH12-67:
Passend zu Drehgebern mit Steckerabgang SI/SH, 12-polig, IP67
Gerade Anschlussdose oder
konfektionierte Kabel mit gerader Anschlussdose.

Kabeldose KD-12-67:
Passend zu Drehgebern mit Steckerabgang S4/S5, S4R/S5R, 12-polig, IP67
Gerade Anschlussdose oder
konfektionierte Kabel mit gerader Anschlussdose.
Links- oder rechtsdrehend.

Kabeldose KDA-12-67:
Passend zu Drehgebern mit Steckerabgang S4/S5, S4R/S5R, 12-polig, IP67
Abgewinkelt Anschlussdose oder
konfektionierte Kabel mit abgewinkelter Anschlussdose.
Links- oder rechtsdrehend.
Buchseneinsatz beliebig montierbar.

Kabeldose KD-8-40-15-S-DIZ:
Für Frequenzumrichter: Emotron
Passend zu Drehgebern mit Steckerabgang SI8 und SH8, 8-polig, IP40.
Stecker (Sub-D 15-polig, 2-reihig).
Konfektioniertes abgeschirmtes Kabel mit Anschlussdose gerade und Sub-D Stecker.
Dose-/Steckergehäuse mit Schirm leitend verbunden.

Kabeldose KD-8-40-15-S-RST:
Für Frequenzumrichter: RST
Passend zu Drehgebern mit Steckerabgang SI8 und SH8, 8-polig, IP40.
Stecker (Sub-D 15-polig, 2-reihig).
Konfektioniertes abgeschirmtes Kabel mit Anschlussdose gerade und Sub-D Stecker.
Dose-/Steckergehäuse mit Schirm leitend verbunden.

Kabeldose KD-8-40-15-S-SDR:
Für Steuerung: Schindler MX
Passend zu Drehgebern mit Steckerabgang SI8 und SH8, 8-polig, IP40.
Stecker (Sub-D 15-polig, 2-reihig).
Konfektioniertes abgeschirmtes Kabel mit Anschlussdose gerade und Sub-D Stecker.
Dose-/Steckergehäuse mit Schirm leitend verbunden.

Kabeldose KD-8-40-15-S-CTF:
Für Frequenzumrichter: Control Techniques
Passend zu Drehgebern mit Steckerabgang SI8 und SH8, 8-polig, IP40.
Stecker (Sub-D 15-polig, 3-reihig).
Konfektioniertes abgeschirmtes Kabel mit Anschlussdose gerade und Sub-D Stecker.
Dose-/Steckergehäuse mit Schirm leitend verbunden.

Kabeldose KD-8-40-15-S-KEB:
Für Frequenzumrichter: KEB
Passend zu Drehgebern mit Steckerabgang SI8 und SH8, 8-polig, IP40.
Stecker (Sub-D 15-polig, 3-reihig).
Konfektioniertes abgeschirmtes Kabel mit Anschlussdose gerade und Sub-D Stecker.
Dose-/Steckergehäuse mit Schirm leitend verbunden.

Kabeldose KD-8-40-15-S-LOH:
Für Frequenzumrichter: Flender Loher Typ: Dynavert L
Passend zu Drehgebern mit Steckerabgang SI8 und SH8, 8-polig, IP40.
Stecker (Sub-D 15-polig, 3-reihig).
Konfektioniertes abgeschirmtes Kabel mit Anschlussdose gerade und Sub-D Stecker.
Dose-/Steckergehäuse mit Schirm leitend verbunden.

Kabeldose KD-8-40-15-S-LIF:
Für Frequenzumrichter: Liftequip
Passend zu Drehgebern mit Steckerabgang SI8 und SH8, 8-polig, IP40.
Stecker (Sub-D 9-polig, 2-reihig).
Konfektioniertes abgeschirmtes Kabel mit Anschlussdose gerade und Sub-D Stecker.
Dose-/Steckergehäuse mit Schirm leitend verbunden.

Kabeldose KD-8-40-15-S-ZIL:
Für Frequenzumrichter: Ziehl-Abegg
Passend zu Drehgebern mit Steckerabgang SI8 und SH8, 8-polig, IP40.
Stecker (Sub-D 9-polig, 2-reihig).
Konfektioniertes abgeschirmtes Kabel mit Anschlussdose gerade und Sub-D Stecker.
Dose-/Steckergehäuse mit Schirm leitend verbunden.

Spannexzenter SP-3-00
passend für inkrementale Drehgeber WDG 40A, 50B, 58T, WDGI 58A, 58B, 58C, 58D, 58K, 63B, WDGP 36A, WDGP 58A, WDGP 58B und absolute Drehgeber WDGA 36A, WDGA 58A, WDGA 58B.
































































