WDGDS10019
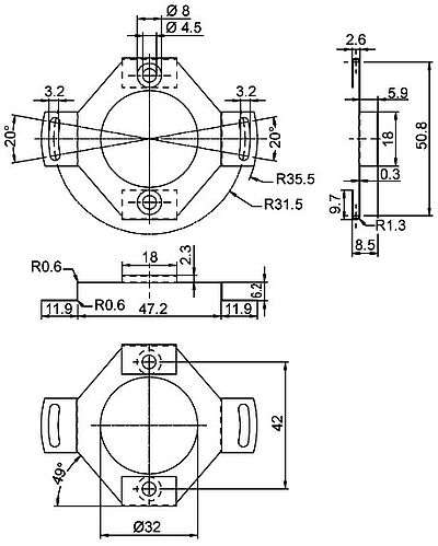
Drehmomentstütze WDGDS10019
für Hohlwellen-Drehgeber 58E, 58H.

Abbildung ähnlich
Ausgleichsfähigkeit
axial ±1,2 mm
radial ±0,2 mm
radial ±0,2 mm
Werkstoff
Federstahl rostfrei
Befestigung
Schrauben für die Befestigung am Drehgeber beigelegt.
Schrauben für die Befestigung an der Maschine nicht enthalten.
Bestellnummer(n)
WDGDS10019
Drehmomentstütze
STEP-Viewer / STEP-Dateien:
Ihre gewünschte STEP-Datei ist nicht aufgeführt:
Anforderung STEP Datei hier

Für technische Fragen
(Anwendungsberatung, Anpassungsentwicklung, inkrementale Drehgeberauswahl)
wenden Sie sich bitte an:
Technische Anwendungsberatung inkrementale Drehgeber
Kai Nagel
Tel:+49 6722 9965131
Für kaufmännische Fragen und Angebote
wenden Sie sich bitte an:
Vertriebsinnendienst (Deutschland)

Im deutschsprachigen Ausland
wenden Sie sich bitte an:
Ihren Distributor
Sie wünschen ein Angebot oder möchten zurückgerufen werden. Anfrage








