SPEEDMATEWIN
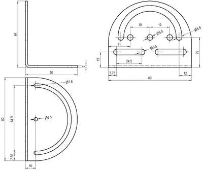
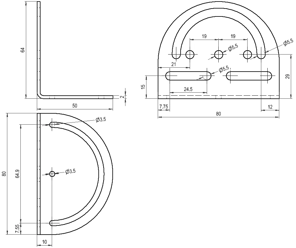
Montagewinkel SPEEDMATEWIN
passend für speedMATE® - Berührungslose optische Geschwindigkeitsmessung.

Abbildung ähnlich
Bestellnummer(n)
SPEEDMATEWIN
Montagewinkel für speedMATE
STEP-Viewer / STEP-Dateien:
Ihre gewünschte STEP-Datei ist nicht aufgeführt:
Anforderung STEP Datei hier

Für technische Fragen
(Anwendungsberatung, Anpassungsentwicklung, inkrementale Drehgeberauswahl)
wenden Sie sich bitte an:
Technische Anwendungsberatung inkrementale Drehgeber
Kai Nagel
Tel:+49 6722 9965131
Für kaufmännische Fragen und Angebote
wenden Sie sich bitte an:
Vertriebsinnendienst (Deutschland)

Im deutschsprachigen Ausland
wenden Sie sich bitte an:
Ihren Distributor
Sie wünschen ein Angebot oder möchten zurückgerufen werden. Anfrage








