WDGMA1000x
Federarm für Drehgebertypen
58B, 58D, 58K, 58N und 58T
zur Längenerfassung

Abbildung ähnlich
Highlights
- Beliebige Montage: von unten, von oben, horizontal, vertikal
- Einstellbare Vorspannkraft: 20 N, 25 N und 30 N
- Kombinierbar mit allen Messrädern mit 500 mm Umfang
- In zwei Belastungsrichtungen verfügbar
Federweg
Federweg bei Vorspannung:
20 N = 50° ca. 90 mm
25 N = 45° ca. 84 mm
30 N = 40° ca. 77 mm
Gewicht
ca. 760 g
Bestellnummer(n)
WDGMA10000
Belastungsrichtung gegen Uhrzeigersinn
WDGMA10002
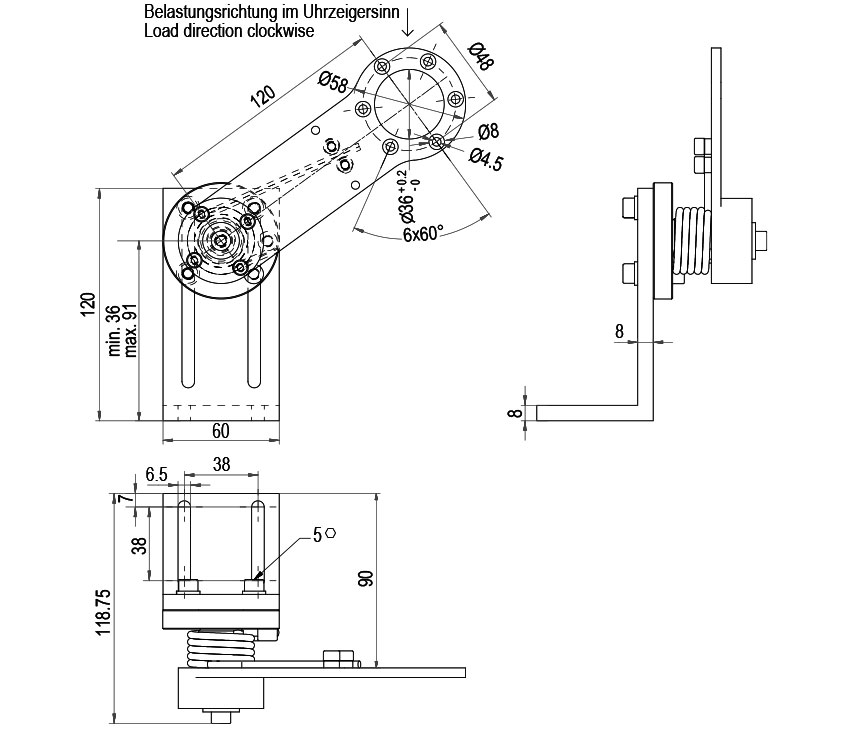
Belastungsrichtung im Uhrzeigersinn

Für technische Fragen
(Anwendungsberatung, Anpassungsentwicklung, inkrementale Drehgeberauswahl)
wenden Sie sich bitte an:
Technische Anwendungsberatung inkrementale Drehgeber
Kai Nagel
Tel:+49 6722 9965131
Für kaufmännische Fragen und Angebote
wenden Sie sich bitte an:
Vertriebsinnendienst (Deutschland)

Im deutschsprachigen Ausland
wenden Sie sich bitte an:
Ihren Distributor
Sie wünschen ein Angebot oder möchten zurückgerufen werden. Anfrage









